EN
繁体
中文
台灣山耐斯氣動有限公司
主页
关于企业
集团动态
产品目录
工业应用
快速服务
招贤纳士
联系我们
气体处理
VR20/YDK/HAD自动排水
QFRH/QFLH系列
QIU/QSL/QTY系列
SFC/SFR系列
UFR/L/UFRL系列
减压阀/油雾器/二/三联件
LOE/LF/LR/LFR/FRC系列
过滤器/调压阀/二/三联件
空气过滤器组合/调压阀
IR/AW/AL/AR/AF/AC系列
气阀控制
电磁脉动阀系列
JZF角座阀系列
换向阀系列
气控阀系列
控制阀系列
控制器系列
比例阀
快速排气阀系列
单向节流阀
脚踏阀系列
钮子阀系列
机械阀系列
手转阀/手扳阀/手滑阀系列
电磁阀系列
其它
缸类执行
标准气缸
迷你气缸
超薄气缸
精密滑台气缸
双轴及三轴气缸
增压缸
油缸
自由安装气缸
焊接夹紧气缸
旋转夹紧气缸
液压缸
止动气缸
擺动气缸
气缸附件
无杆气缸
活塞气缸
多位固定气缸
气动夹
精密滑臺气缸/气动滑臺/导轨
带導轨气缸
双杆气缸
PB筆型气缸
微型/针型气缸
緊凑型气缸
RQ系列气缸
ACQ系列超薄气缸
CQS/CQ2薄型气缸
轻型气缸
气缸附件系列
气动手指、气爪
管接辅件
油压缓衝器
快插接头/快速接头系列
快插接头/不锈钢接头系列
PU气管/各类管/风枪系列
磁性开关
消声器
真空发生器系列
“阀”类系列
其他附件系列
自动成套
气动工具
液压元件
电缸模组
样册下载
您所在的位置:
首页
>
产品目录
>
管接辅件
>
真空发生器系列
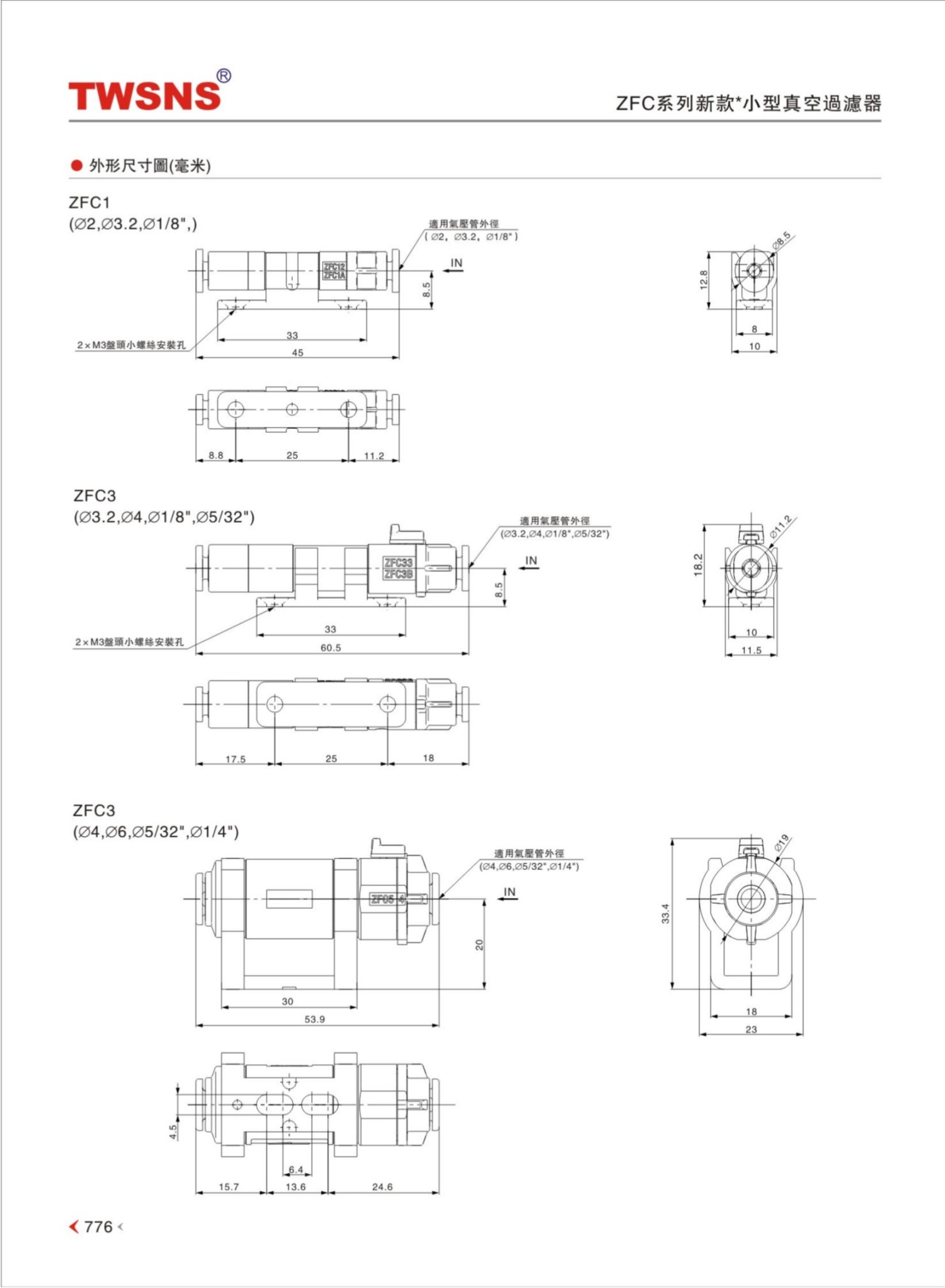
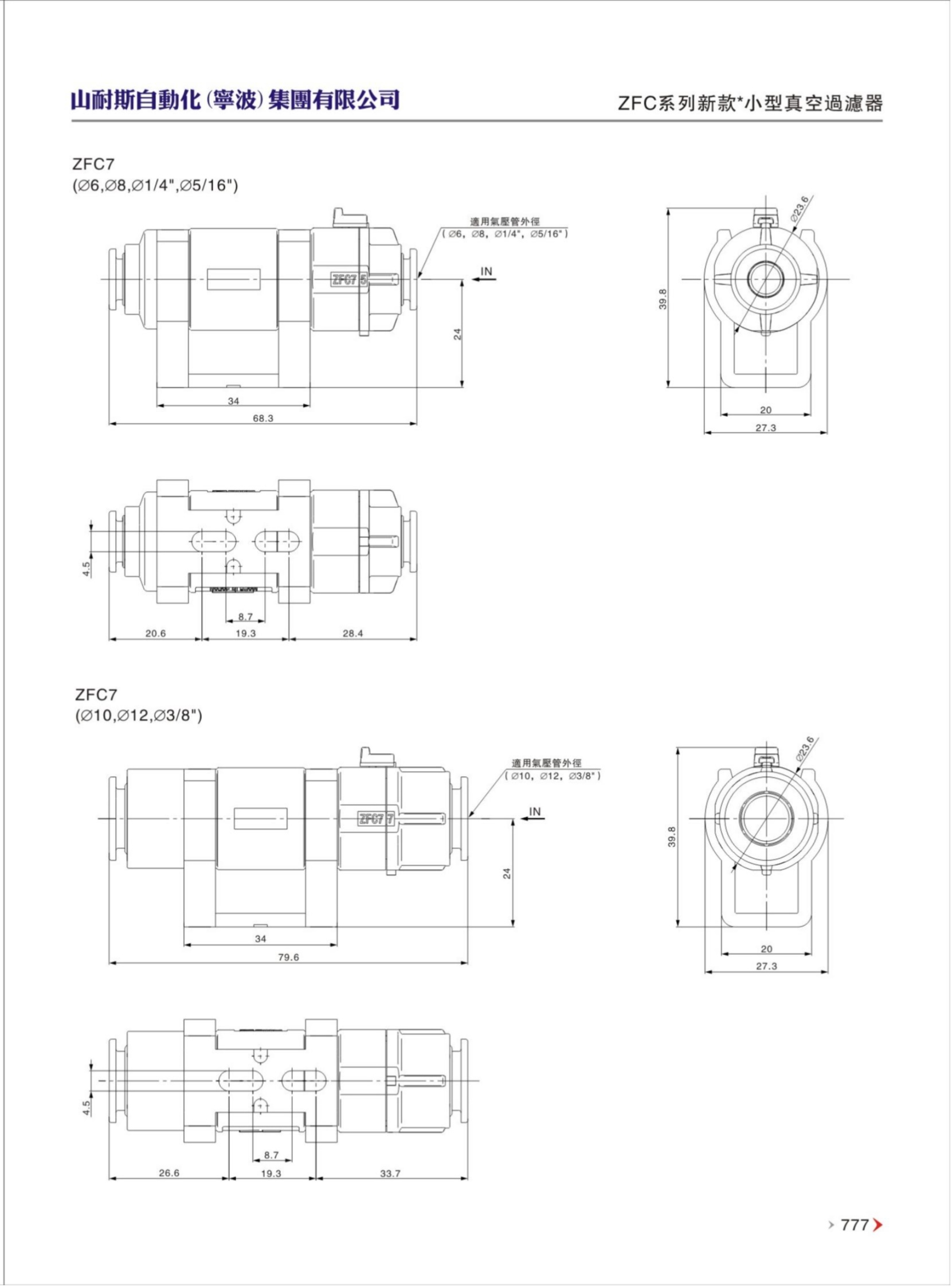
ZFC系列新款‘小型真空过滤器
zfc新款.rar
产品特性
COPYRIGHT © 山耐斯自动化(宁波)集团有限公司 ALL RIGHTS RESERVED |
浙ICP备2020044477号
网址地图